威尼斯登录注册-通用免费下载
您好,欢迎访问威尼斯登录注册!
加入收藏
联系我们
16655230000
首页
关于我们
企业文化
解决方案
关于我们
产品中心
箱式变电站
分支箱开闭所
高压元气件
低压元气件
高压开关柜
低压开关柜
产品中心
新闻资讯
产品知识
行业新闻
新闻资讯
荣誉资质
在线留言
联系我们
您的位置:
首页
>>
产品中心
>>
箱式变电站
产品中心
箱式变电站
分支箱开闭所
高压元气件
低压元气件
高压开关柜
低压开关柜
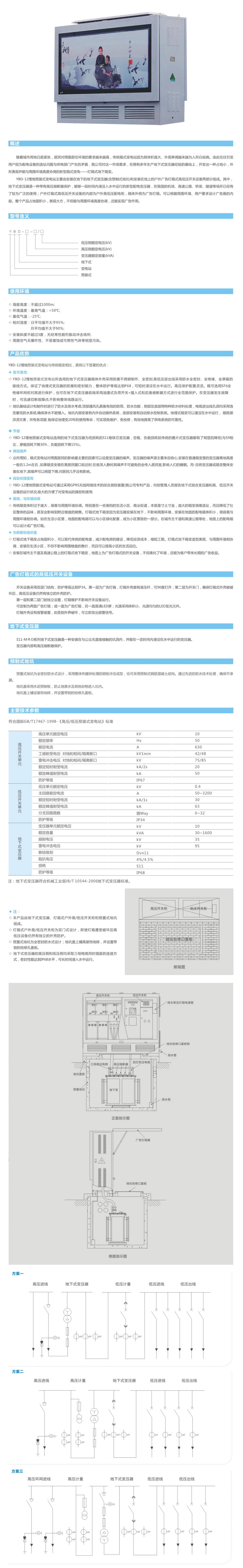
YBD-12地埋预装式变电站
发布时间:2022-03-14 08:43:22
上一篇:
YBW-12预装式箱式变电站(欧式)
下一篇:
YB-40.5风力发箱式变电站
Copyright © 威尼斯登录注册 版权所有 备案号:
皖ICP备2022002735号
16655230000
微信二维码